Datenanzeige

Wonach suchen Sie?


Start
Analogschaltkreise
Digitalschaltkreise
Mikrorechner/Speicher
Transistoren
Diode/Thyr./Triac
Optoelektronik
Sonstiges

Weitere Tabellen
Datenbücher
Sockelschaltungen
Kompatibel
Preislisten

Buy Me a Coffee
Fehler melden


elektronikbastelkiste.de

Immer im Gespräch


;
Datenwartung

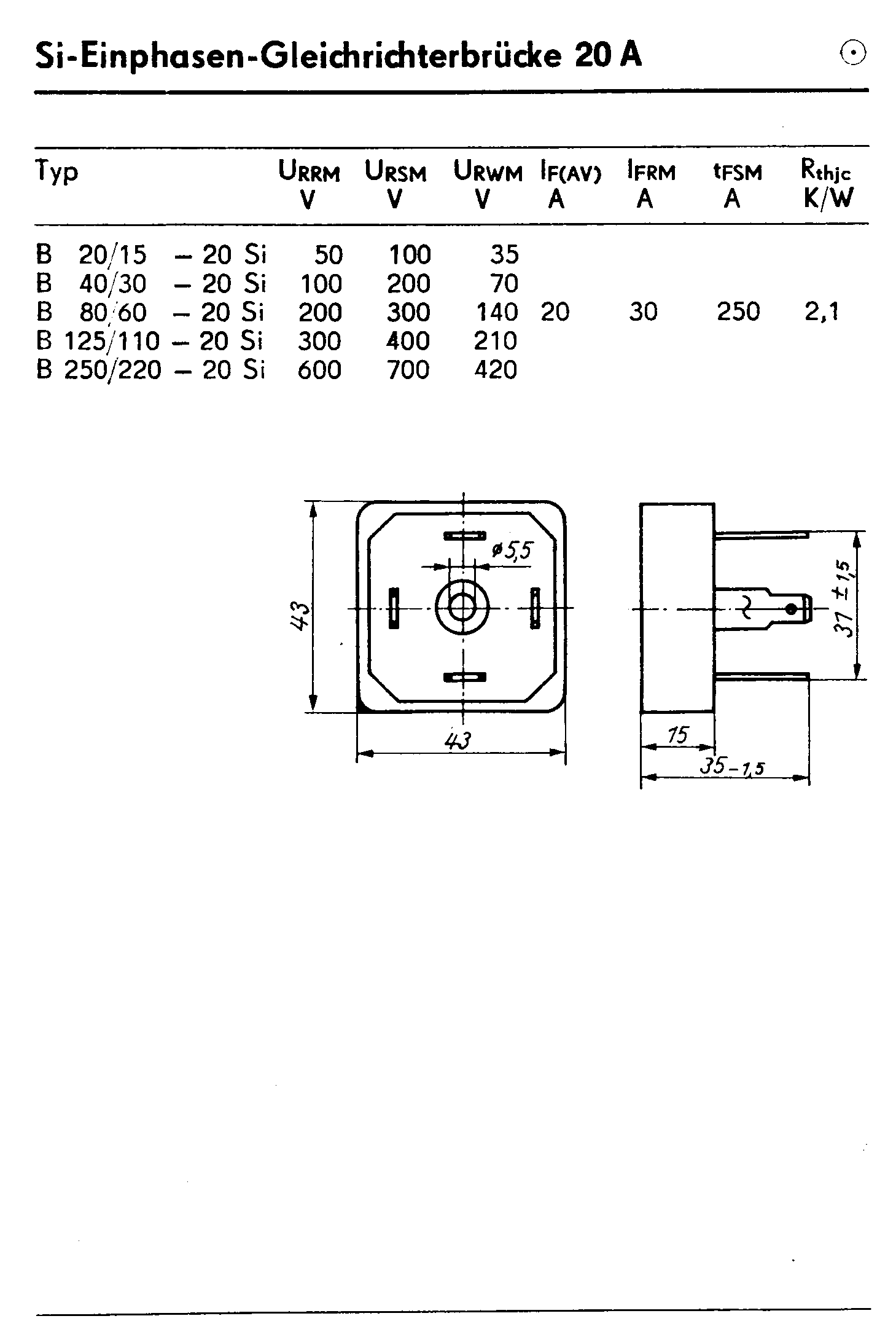
B 40/30-20 SI

Gleichrichterbrücke

Hersteller:

VEB Mikroelektronik "Robert Harnau" Großräschen, DDR

Bauform:

Material:

Silizium

Spannung (UR):

- 100.00 V

Durchlassgleichstrom (IF):

20.00 A

Sperrerholzeit:

Kompatibel:

TPQ 2221 - Sprague
TPQ 3725 - Sprague


Typen in Klammern sind ähnlich!

Datenblatt:

1985 - Aktive elektronische Bauelemente


Datenblatt anzeigen

Es werden maximal zwei Datenquellen angegeben, obwohl z.T. mehr verwendet wurden!

Daten veröffentlicht: 1985 (Wenn nicht sicher, Jahr der ersten Veröffentlichung!)

Letzte Bearbeitung: 26.02.2024 / 10:59:32