Datenanzeige

Wonach suchen Sie?


Start
Analogschaltkreise
Digitalschaltkreise
Mikrorechner/Speicher
Transistoren
Diode/Thyr./Triac
Optoelektronik
Sonstiges

Weitere Tabellen
Datenbücher
Sockelschaltungen
Kompatibel
Preislisten
Fehler melden


elektronikbastelkiste.de

Schön weich unter den Füßen.


;
Datenwartung

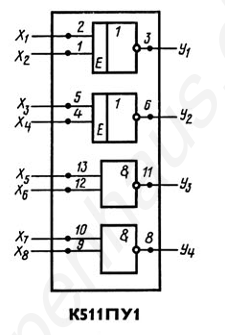
K 511 PU 1 (K 511 ПУ 1)

Pegelkonverter LSL auf TTL

Hersteller:

ELORG, UdSSR

Bauform:

Betriebsspannung:

15.00 V

Leistung:

280.00 mW

Zugriffszeit:

150.0 ns

Temperaturbereich:

-10 - 70 °C

Kompatibel:

H 113 -

Amazon

Google


Typen in Klammern sind ähnlich!

Datenblatt:

1988 - RGW-Typenübersicht

Datenblatt:

Elorg Schaltkreise


Datenblatt anzeigen

Es werden maximal zwei Datenquellen angegeben, obwohl z.T. mehr verwendet wurden!

Daten veröffentlicht: 0 (Wenn nicht sicher, Jahr der ersten Veröffentlichung!)

Letzte Bearbeitung: 05.10.2025 / 09:20:50