Datenanzeige

Wonach suchen Sie?


Start
Analogschaltkreise
Digitalschaltkreise
Mikrorechner/Speicher
Transistoren
Diode/Thyr./Triac
Optoelektronik
Sonstiges

Weitere Tabellen
Datenbücher
Sockelschaltungen
Kompatibel
Preislisten

Buy Me a Coffee
Fehler melden


elektronikbastelkiste.de

Nur Blitzgeräte - kein Gewitter


;
Datenwartung

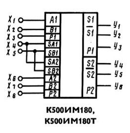
K 500 IM 180 T (K 500 ИM 180 T)

2fach Addierer/Subtrahierer

Hersteller:

ELORG, UdSSR

Bauform:

Betriebsspannung:

-5.00 V

Zugriffszeit:

13.0 ns

Kompatibel:

MC 10180 - Motorola


Typen in Klammern sind ähnlich!

Datenblatt:

Elorg Schaltkreise


Datenblatt anzeigen

Es werden maximal zwei Datenquellen angegeben, obwohl z.T. mehr verwendet wurden!

Daten veröffentlicht: 1986 (Wenn nicht sicher, Jahr der ersten Veröffentlichung!)

Letzte Bearbeitung: 26.02.2024 / 10:59:40