Datenanzeige

Wonach suchen Sie?


Start
Analogschaltkreise
Digitalschaltkreise
Mikrorechner/Speicher
Transistoren
Diode/Thyr./Triac
Optoelektronik
Sonstiges

Weitere Tabellen
Datenbücher
Sockelschaltungen
Kompatibel
Preislisten
Fehler melden


elektronikbastelkiste.de

Mode für Preisbewusste


;
Datenwartung

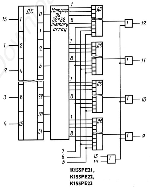
K 155 RE 22 (K 155 PE 22)

1024 Bit-Symbolzeichenspeicher (74187)

Hersteller:

ELORG, UdSSR

Bauform:

Betriebsspannung:

5.00 V

Stromaufnahme:

130.00 mA

Zugriffszeit:

60.0 ns

Kompatibel:

SN 74187 N - Texas Instruments

Amazon

Google


Typen in Klammern sind ähnlich!

Datenblatt:

Elorg Schaltkreise


Datenblatt anzeigen

Datenblatt:

Elorg Vergleichsliste

Es werden maximal zwei Datenquellen angegeben, obwohl z.T. mehr verwendet wurden!

Daten veröffentlicht: 0 (Wenn nicht sicher, Jahr der ersten Veröffentlichung!)

Letzte Bearbeitung: 24.09.2025 / 08:34:24