Datenanzeige

Wonach suchen Sie?


Start
Analogschaltkreise
Digitalschaltkreise
Mikrorechner/Speicher
Transistoren
Diode/Thyr./Triac
Optoelektronik
Sonstiges

Weitere Tabellen
Datenbücher
Sockelschaltungen
Kompatibel
Preislisten
Fehler melden


elektronikbastelkiste.de

Lass den Frühling herein


;
Datenwartung

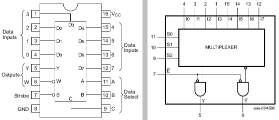
K 555 KP 5 (K 555 KП 5)

2x 8:1-Datenselektor/Multiplexer

Hersteller:

Mashpriboringtorg, Moskva (Maшпpигopинтopг, Mocквa), UdSSR

Bauform:

Betriebsspannung:

- 5.00 V

Leistung:

10.00 mW

Grenzfrequenz:

50.00 MHz

Zugriffszeit:

10.0 ns

Kompatibel:


Typen in Klammern sind ähnlich!

Datenblatt:

www


Datenblatt anzeigen

Es werden maximal zwei Datenquellen angegeben, obwohl z.T. mehr verwendet wurden!

Daten veröffentlicht: 1983 (Wenn nicht sicher, Jahr der ersten Veröffentlichung!)

Letzte Bearbeitung: 26.02.2024 / 10:59:37