Datenanzeige

Wonach suchen Sie?


Start
Analogschaltkreise
Digitalschaltkreise
Mikrorechner/Speicher
Transistoren
Diode/Thyr./Triac
Optoelektronik
Sonstiges

Weitere Tabellen
Datenbücher
Sockelschaltungen
Kompatibel
Preislisten
Fehler melden


elektronikbastelkiste.de

Lass den Frühling herein


;
Datenwartung

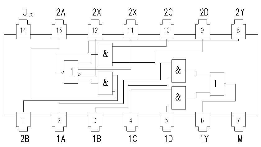
K 555 LR 1 (K 555 ЛP 1)

2 AND-NOR mit je 2 x 2 Eing.

Hersteller:

ELORG, UdSSR

Bauform:

Betriebsspannung:

- 5.00 V

Leistung:

10.00 mW

Grenzfrequenz:

50.00 MHz

Zugriffszeit:

10.0 ns

Kompatibel:

SN 74 LS 50 N - Texas Instruments
DL 050 D - DDR


Typen in Klammern sind ähnlich!

Datenblatt:

www


Datenblatt anzeigen

Es werden maximal zwei Datenquellen angegeben, obwohl z.T. mehr verwendet wurden!

Daten veröffentlicht: 1981 (Wenn nicht sicher, Jahr der ersten Veröffentlichung!)

Letzte Bearbeitung: 26.02.2024 / 10:59:41