Datenanzeige

Wonach suchen Sie?


Start
Analogschaltkreise
Digitalschaltkreise
Mikrorechner/Speicher
Transistoren
Diode/Thyr./Triac
Optoelektronik
Sonstiges

Weitere Tabellen
Datenbücher
Sockelschaltungen
Kompatibel
Preislisten
Fehler melden


elektronikbastelkiste.de

Mach doch wie Du willst


;
Datenwartung

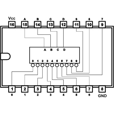
KM 555 ID 6 (KM 555 ИД 6)

BCD-zu-Dezimal-Dekoder (74LS42)

Hersteller:

Mashpriboringtorg, Moskva (Maшпpигopинтopг, Mocквa), UdSSR

Bauform:

Betriebsspannung:

5.00 V

Leistung:

10.00 mW

Grenzfrequenz:

50.00 MHz

Zugriffszeit:

10.0 ns

Kompatibel:

SN 74 LS 42 J - Texas Instruments

Amazon

Google


Typen in Klammern sind ähnlich!

Datenblatt:

www


Datenblatt anzeigen

Es werden maximal zwei Datenquellen angegeben, obwohl z.T. mehr verwendet wurden!

Daten veröffentlicht: 1984 (Wenn nicht sicher, Jahr der ersten Veröffentlichung!)

Letzte Bearbeitung: 15.10.2024 / 09:30:57