Datenanzeige

Wonach suchen Sie?


Start
Analogschaltkreise
Digitalschaltkreise
Mikrorechner/Speicher
Transistoren
Diode/Thyr./Triac
Optoelektronik
Sonstiges

Weitere Tabellen
Datenbücher
Sockelschaltungen
Kompatibel
Preislisten
Fehler melden


elektronikbastelkiste.de

Hier dibt es Dinge


;
Datenwartung

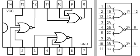
K 555 LE 4 (K 555 ЛE 4)

3x NOR mit je 3 Eingängen (74LS27)

Hersteller:

Mashpriboringtorg, Moskva (Maшпpигopинтopг, Mocквa), UdSSR

Bauform:

Betriebsspannung:

5.00 V

Leistung:

10.00 mW

Grenzfrequenz:

50.00 MHz

Zugriffszeit:

10.0 ns

Temperaturbereich:

-10 - 70 °C

Kompatibel:

SN 74 LS 27 N - Texas Instruments, USA

Amazon

Google


Typen in Klammern sind ähnlich!

Datenblatt:

Elorg Vergleichsliste


Datenblatt anzeigen

Es werden maximal zwei Datenquellen angegeben, obwohl z.T. mehr verwendet wurden!

Daten veröffentlicht: 1983 (Wenn nicht sicher, Jahr der ersten Veröffentlichung!)

Letzte Bearbeitung: 03.10.2025 / 08:52:31