Datenanzeige

Wonach suchen Sie?


Start
Analogschaltkreise
Digitalschaltkreise
Mikrorechner/Speicher
Transistoren
Diode/Thyr./Triac
Optoelektronik
Sonstiges

Weitere Tabellen
Datenbücher
Sockelschaltungen
Kompatibel
Preislisten
Fehler melden


elektronikbastelkiste.de

Nur Blitzgeräte - kein Gewitter


;
Datenwartung

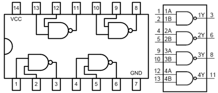
MH 54 S 03

4x NAND mit je 2 Eingängen, offener Kollektor

Hersteller:

TESLA Roznov, CSSR, CSSR

Bauform:

Betriebsspannung:

5.00 V

Leistung:

20.00 mW

Grenzfrequenz:

130.00 MHz

Zugriffszeit:

3.0 ns

Temperaturbereich:

-55 - 125 °C

Kompatibel:

SN 54 S 03 N - Texas Instruments

Amazon

Google


Typen in Klammern sind ähnlich!

Datenblatt:

1985 - Elektronisches Jahrbuch


Datenblatt anzeigen

Daten-WEB:

www


Datenblatt anzeigen

Es werden maximal zwei Datenquellen angegeben, obwohl z.T. mehr verwendet wurden!

Daten veröffentlicht: 1983 (Wenn nicht sicher, Jahr der ersten Veröffentlichung!)

Letzte Bearbeitung: 10.01.2025 / 10:36:11