Datenanzeige

Wonach suchen Sie?


Start
Analogschaltkreise
Digitalschaltkreise
Mikrorechner/Speicher
Transistoren
Diode/Thyr./Triac
Optoelektronik
Sonstiges

Weitere Tabellen
Datenbücher
Sockelschaltungen
Kompatibel
Preislisten
Fehler melden


elektronikbastelkiste.de

Lass den Frühling herein


;
Datenwartung

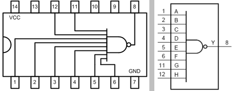
MH 54 ALS 30

NAND mit 8 Eingängen

Hersteller:

TESLA Roznov, CSSR, CSSR

Bauform:

Betriebsspannung:

5.00 V

Leistung:

1.00 mW

Grenzfrequenz:

70.00 MHz

Zugriffszeit:

4.0 ns

Temperaturbereich:

-55 - 125 °C

Kompatibel:

SN 54 ALS 30 N - Texas Instruments

Amazon

Google



Typen in Klammern sind ähnlich!

Datenblatt:

1985 - Elektronisches Jahrbuch


Datenblatt anzeigen

Daten-WEB:

www


Datenblatt anzeigen

Es werden maximal zwei Datenquellen angegeben, obwohl z.T. mehr verwendet wurden!

Daten veröffentlicht: 1983 (Wenn nicht sicher, Jahr der ersten Veröffentlichung!)

Letzte Bearbeitung: 10.01.2025 / 09:02:44