Datenanzeige

Wonach suchen Sie?


Start
Analogschaltkreise
Digitalschaltkreise
Mikrorechner/Speicher
Transistoren
Diode/Thyr./Triac
Optoelektronik
Sonstiges

Weitere Tabellen
Datenbücher
Sockelschaltungen
Kompatibel
Preislisten
Fehler melden


elektronikbastelkiste.de

Bitte hier abtreten!


;
Datenwartung

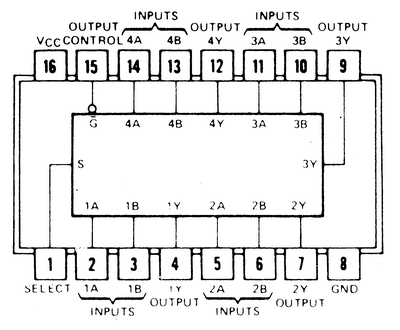
K 531 KP 11 (K 531 KП 11)

4x 2-zu-1-Datenselektoren/Multiplexer, Tristate (74S257)

Hersteller:

ELORG, UdSSR

Bauform:

Betriebsspannung:

5.00 V

Leistung:

20.00 mW

Grenzfrequenz:

130.00 MHz

Zugriffszeit:

3.0 ns

Temperaturbereich:

-10 - 70 °C

Kompatibel:

SN 74 S 257 N - Texas Instruments, USA

Amazon

Google



Typen in Klammern sind ähnlich!

Datenblatt:

1985 - Elektronisches Jahrbuch


Datenblatt anzeigen

Datenblatt:

Elorg Vergleichsliste

Es werden maximal zwei Datenquellen angegeben, obwohl z.T. mehr verwendet wurden!

Daten veröffentlicht: 1983 (Wenn nicht sicher, Jahr der ersten Veröffentlichung!)

Letzte Bearbeitung: 28.09.2025 / 09:54:39