Datenanzeige

Wonach suchen Sie?


Start
Analogschaltkreise
Digitalschaltkreise
Mikrorechner/Speicher
Transistoren
Diode/Thyr./Triac
Optoelektronik
Sonstiges

Weitere Tabellen
Datenbücher
Sockelschaltungen
Kompatibel
Preislisten
Fehler melden


elektronikbastelkiste.de

Bitte hier abtreten!


;
Datenwartung

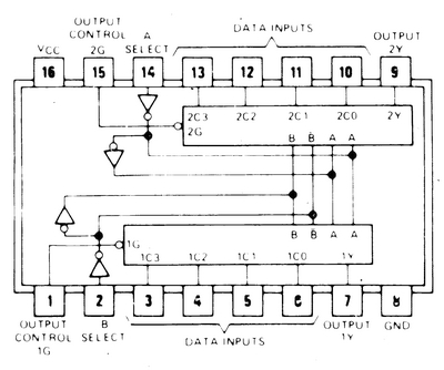
74 LS 253

2 Multiplexer 4-auf-1, Tristate

Hersteller:

Tungsram Budapest, Nepköztarsag Magyaroszag, Ungarn

Bauform:

Betriebsspannung:

- 5.00 V

Leistung:

2.00 mW

Grenzfrequenz:

50.00 MHz

Zugriffszeit:

10.0 ns

Kompatibel:

SN 74 LS 253 N - Texas Instruments
K 555 КП 12 - UdSSR
DL 253 D - DDR


Typen in Klammern sind ähnlich!

Datenblatt:

1985 - Elektronisches Jahrbuch


Datenblatt anzeigen

Es werden maximal zwei Datenquellen angegeben, obwohl z.T. mehr verwendet wurden!

Daten veröffentlicht: 1983 (Wenn nicht sicher, Jahr der ersten Veröffentlichung!)

Letzte Bearbeitung: 26.02.2024 / 10:59:38