Datenanzeige

Wonach suchen Sie?


Start
Analogschaltkreise
Digitalschaltkreise
Mikrorechner/Speicher
Transistoren
Diode/Thyr./Triac
Optoelektronik
Sonstiges

Weitere Tabellen
Datenbücher
Sockelschaltungen
Kompatibel
Preislisten
Fehler melden


elektronikbastelkiste.de

Internet unendlich langsam?


;
Datenwartung

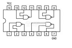
K 555 LA 12 ( K 555 ЛА 12)

4 NAND-Treiber mit je 2 Eingängen, Leistung (74LS37)

Hersteller:

ELORG, UdSSR

Bauform:

Betriebsspannung:

5.00 V

Leistung:

2.00 mW

Grenzfrequenz:

50.00 MHz

Zugriffszeit:

10.0 ns

Temperaturbereich:

-10 - 70 °C

Kompatibel:

SN 74 LS 37 N - Texas Instruments, USA

Amazon

Google

MH 74 ALS 37 - CSSR-Tesla
DL 037 D - DDR


Typen in Klammern sind ähnlich!

Datenblatt:

1990 - Mikroelektronik Gesamtübersicht


Datenblatt anzeigen

Datenblatt:

Elorg Vergleichsliste

Es werden maximal zwei Datenquellen angegeben, obwohl z.T. mehr verwendet wurden!

Daten veröffentlicht: 1985 (Wenn nicht sicher, Jahr der ersten Veröffentlichung!)

Letzte Bearbeitung: 03.10.2025 / 09:09:29