Datenanzeige

Wonach suchen Sie?


Start
Analogschaltkreise
Digitalschaltkreise
Mikrorechner/Speicher
Transistoren
Diode/Thyr./Triac
Optoelektronik
Sonstiges

Weitere Tabellen
Datenbücher
Sockelschaltungen
Kompatibel
Preislisten
Fehler melden


elektronikbastelkiste.de

Schön weich unter den Füßen.


;
Datenwartung

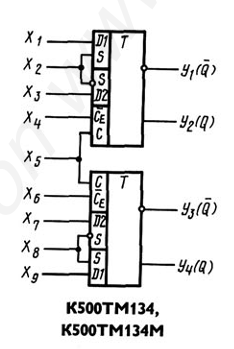
K 500 TM 134 (K 500 TM 134)

2fach Multiplexe mit Latch

Hersteller:

ELORG, UdSSR

Bauform:

Betriebsspannung:

-5.00 V

Zugriffszeit:

3.0 ns

Temperaturbereich:

-10 - 70 °C

Kompatibel:

MC 10134 - Motorola

Amazon

Google


Typen in Klammern sind ähnlich!

Datenblatt:

Elorg Vergleichsliste

Datenblatt:

Elorg Schaltkreise


Datenblatt anzeigen

Es werden maximal zwei Datenquellen angegeben, obwohl z.T. mehr verwendet wurden!

Daten veröffentlicht: 1986 (Wenn nicht sicher, Jahr der ersten Veröffentlichung!)

Letzte Bearbeitung: 04.10.2025 / 09:08:39