Datenanzeige

Wonach suchen Sie?


Start
Analogschaltkreise
Digitalschaltkreise
Mikrorechner/Speicher
Transistoren
Diode/Thyr./Triac
Optoelektronik
Sonstiges

Weitere Tabellen
Datenbücher
Sockelschaltungen
Kompatibel
Preislisten
Fehler melden


elektronikbastelkiste.de

Lass den Frühling herein


;
Datenwartung

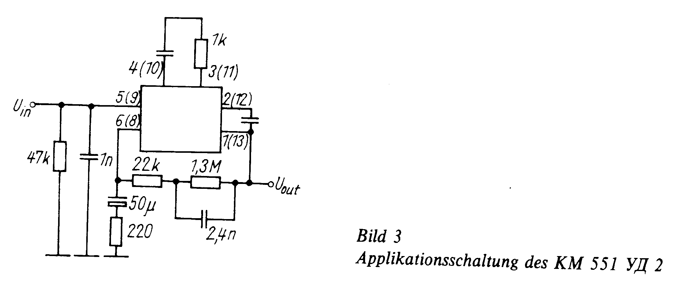
KM 551 UD 2 A/B (KM 551 УД 2 A/Š‘)

Doppel NF-VerstƤrker

Hersteller:

ELORG, UdSSR

Bauform:

Kompatibel:

TBA 931 -

Amazon

Google

(MC 1339 P) - Motorola


Typen in Klammern sind ähnlich!

Datenblatt:

1986 - Elektronisches Jahrbuch


Datenblatt anzeigen

Datenblatt:

Elorg Vergleichsliste

Es werden maximal zwei Datenquellen angegeben, obwohl z.T. mehr verwendet wurden!

Daten verƶffentlicht: 1986 (Wenn nicht sicher, Jahr der ersten Verƶffentlichung!)

Letzte Bearbeitung: 12.11.2025 / 09:43:29