Datenanzeige

Wonach suchen Sie?


Start
Analogschaltkreise
Digitalschaltkreise
Mikrorechner/Speicher
Transistoren
Diode/Thyr./Triac
Optoelektronik
Sonstiges

Weitere Tabellen
Datenbücher
Sockelschaltungen
Kompatibel
Preislisten
Fehler melden


elektronikbastelkiste.de

Schön weich unter den Füßen.


;
Datenwartung

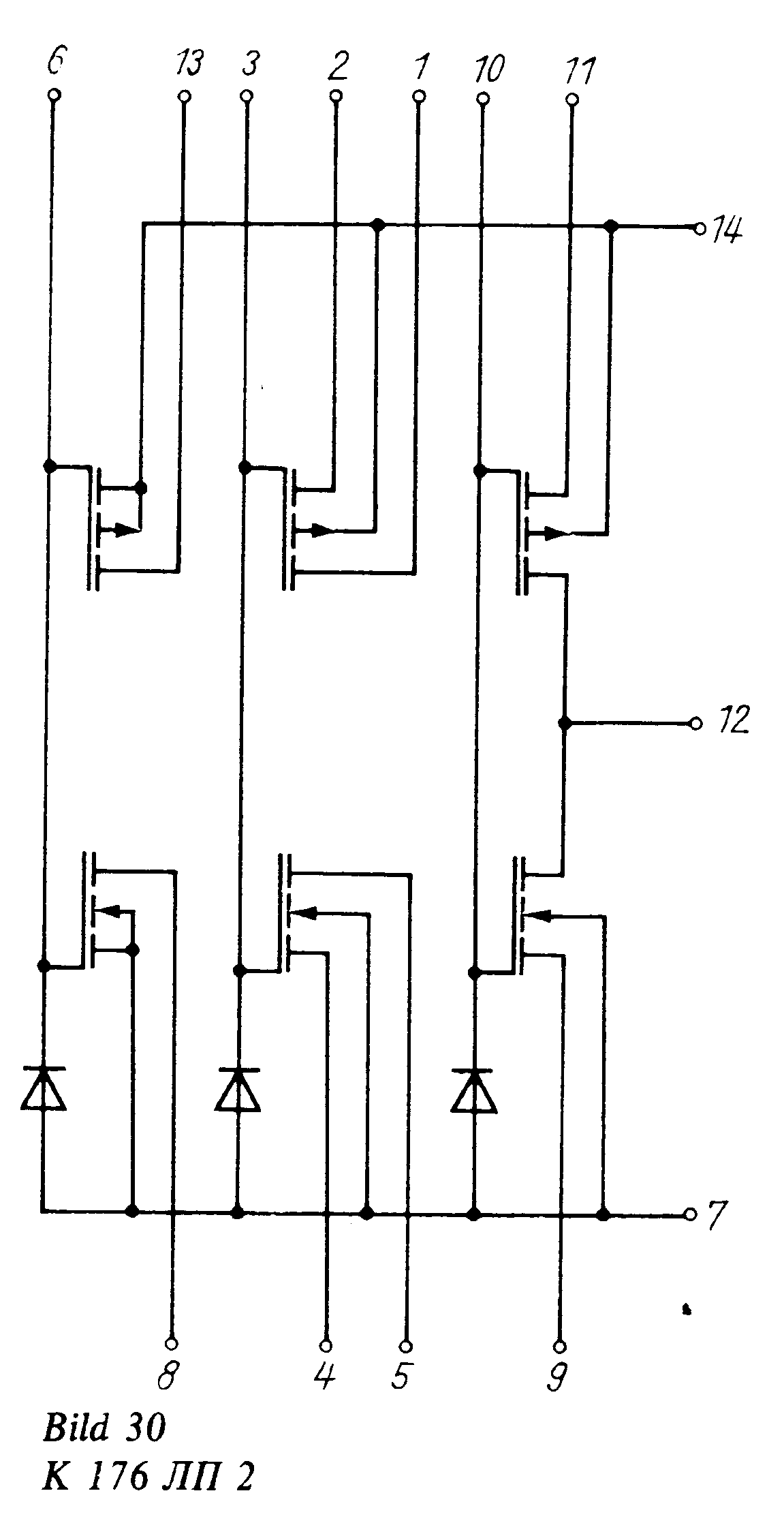
K 176 LP 2 (K 176 ЛП 2)

4 EX-NOR mit je 2 Eingängen (4030)

Hersteller:

Mashpriboringtorg, Moskva (Maшпpигopинтopг, Mocквa), UdSSR

Bauform:

Betriebsspannung:

3.00 - 18.00 V

Zugriffszeit:

200.0 ns

Kompatibel:

CD 4030 E -

Amazon

Google


Typen in Klammern sind ähnlich!

DDR-Preise in Mark

Originaltype
Industrierückkauf

Typ

EVP Gruppe 1
IAP Gruppe 1
EVP Gruppe 2
IAP Gruppe 2

K 176 LP 2

2.75
2.04
1.65
1.22

Datenblatt:

1986 - Elektronisches Jahrbuch


Datenblatt anzeigen

Es werden maximal zwei Datenquellen angegeben, obwohl z.T. mehr verwendet wurden!

Daten veröffentlicht: 1984 (Wenn nicht sicher, Jahr der ersten Veröffentlichung!)

Letzte Bearbeitung: 08.09.2024 / 09:18:09