Datenanzeige

Wonach suchen Sie?


Start
Analogschaltkreise
Digitalschaltkreise
Mikrorechner/Speicher
Transistoren
Diode/Thyr./Triac
Optoelektronik
Sonstiges

Weitere Tabellen
Datenbücher
Sockelschaltungen
Kompatibel
Preislisten
Fehler melden


elektronikbastelkiste.de

Mach doch wie Du willst


;
Datenwartung

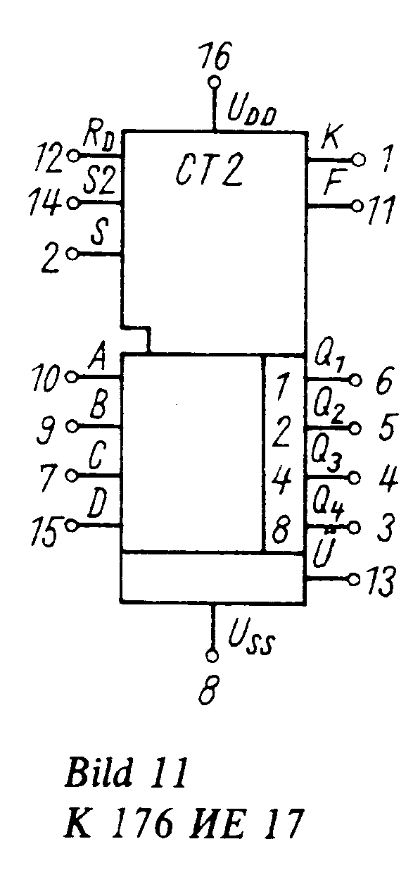
K 176 IE 17 (K 176 ИE 17)

4-Bit-Binärzähler

Hersteller:

Mashpriboringtorg, Moskva (Maшпpигopинтopг, Mocквa), UdSSR

Bauform:

Betriebsspannung:

3.00 - 18.00 V

Zugriffszeit:

200.0 ns

Kompatibel:


Typen in Klammern sind ähnlich!

Datenblatt:

1986 - Elektronisches Jahrbuch


Datenblatt anzeigen

Es werden maximal zwei Datenquellen angegeben, obwohl z.T. mehr verwendet wurden!

Daten veröffentlicht: 1984 (Wenn nicht sicher, Jahr der ersten Veröffentlichung!)

Letzte Bearbeitung: 08.09.2024 / 09:07:55