Datenanzeige

Wonach suchen Sie?


Start
Analogschaltkreise
Digitalschaltkreise
Mikrorechner/Speicher
Transistoren
Diode/Thyr./Triac
Optoelektronik
Sonstiges

Weitere Tabellen
Datenbücher
Sockelschaltungen
Kompatibel
Preislisten
Fehler melden


elektronikbastelkiste.de

Hier dibt es Dinge


;
Datenwartung

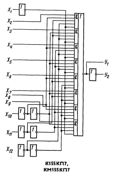
K 155 KP 7 (K 155 KП 7)

2x 8-Bit-Datenselektor/Multiplexer (74151)

Hersteller:

ELORG, UdSSR

Bauform:

Betriebsspannung:

5.00 V

Stromaufnahme:

48.00 mA

Leistung:

10.00 mW

Grenzfrequenz:

50.00 MHz

Temperaturbereich:

-10 - 70 °C

Kompatibel:

SN 74151 N - Texas Instruments, USA

Amazon

Google


Typen in Klammern sind ähnlich!

DDR-Preise in Mark

Originaltype
Industrierückkauf

Typ

EVP Gruppe 1
IAP Gruppe 1
EVP Gruppe 2
IAP Gruppe 2

K 155 KP 7

7.60
5.63
4.55
3.37

Datenblatt:

1984/3 - Datenblattsammlung


Datenblatt anzeigen

Datenblatt:

Elorg Schaltkreise


Datenblatt anzeigen

Es werden maximal zwei Datenquellen angegeben, obwohl z.T. mehr verwendet wurden!

Daten veröffentlicht: 1984 (Wenn nicht sicher, Jahr der ersten Veröffentlichung!)

Letzte Bearbeitung: 27.09.2025 / 08:39:52